Product Summary
The TMS320BC51PQ57 is a Digital signal processor.
Parametrics
TMS320BC51PQ57 absolute maximum ratings: (1)Supply voltage range: – 0.3 V to 7 V; (2)Input voltage range: – 0.3 V to 7 V; (3)Output voltage range: – 0.3 V to 7 V; (4)Operating ambient temperature range: –40℃ to 85℃; (5)Operating case temperature: 0℃ to 85℃; (6)Storage temperature range: – 55℃ to 150℃.
Features
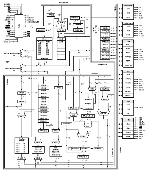
TMS320BC51PQ57 features: (1)Powerful 16-Bit TMS320C5x CPU; (2)2K, 4K, 8K, 16K, 32K × 16-Bit Single-Access On-Chip Program ROM; (3)1K, 3K, 6K, 9K × 16-Bit Single-Access On-Chip Program/Data RAM (SARAM); (4)1K Dual-Access On-Chip Program/Data RAM (DARAM); (5)Full-Duplex Synchronous Serial Port for Coder/Decoder Interface; (6)Time-Division-Multiplexed (TDM) Serial Port; (7)Hardware or Software Wait-State Generation Capability; (8)On-Chip Timer for Control Operations; (9)Repeat Instructions for Efficient Use of Program Space; (10)Buffered Serial Port; (11)Host Port Interface.
Diagrams

| Image | Part No | Mfg | Description | ![]() |
Pricing (USD) |
Quantity | ||||
|---|---|---|---|---|---|---|---|---|---|---|
![]() |
![]() TMS320BC51PQ57 |
![]() Texas Instruments |
![]() Digital Signal Processors & Controllers (DSP, DSC) Digital Signal Proc |
![]() Data Sheet |
![]() Negotiable |
|
||||
| Image | Part No | Mfg | Description | ![]() |
Pricing (USD) |
Quantity | ||||
![]() |
![]() TMS3112 |
![]() Other |
![]() |
![]() Data Sheet |
![]() Negotiable |
|
||||
![]() |
![]() TMS3121 |
![]() Other |
![]() |
![]() Data Sheet |
![]() Negotiable |
|
||||
![]() |
![]() TMS320 |
![]() Other |
![]() |
![]() Data Sheet |
![]() Negotiable |
|
||||
![]() |
![]() TMS32010 |
![]() Other |
![]() |
![]() Data Sheet |
![]() Negotiable |
|
||||
![]() |
![]() TMS320AV7110 |
![]() Other |
![]() |
![]() Data Sheet |
![]() Negotiable |
|
||||
![]() |
![]() TMS320BC51PQ100 |
![]() Texas Instruments |
![]() Digital Signal Processors & Controllers (DSP, DSC) TMS320C51PQ - 132QFP - 100MHZ/BOOT CODE |
![]() Data Sheet |
![]() Negotiable |
|
||||
(Hong Kong)










