Product Summary
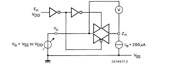
The HEF4066BP is a quadruple bilateral switch. has four independent bilateral analogue switches (transmission gates) . The HEF4066BP is pin compatible with the HEF4016B but exhibits a much lower ON resistance. Applications of the HEF4066BP include: Analogue and digital switching.
Parametrics
HEF4066BP ratings: (1) Quiescent device current IDD: 1μA (-40°C) , 7.5μA (+85°C) ; (2) Input leakage current at En ±IIN: 300nA (+25°C) , 1000nA (+85°C) ; (3) Power dissipation per switch: 100mW.
Diagrams

| Image | Part No | Mfg | Description | ![]() |
Pricing (USD) |
Quantity | ||||||||||||
|---|---|---|---|---|---|---|---|---|---|---|---|---|---|---|---|---|---|---|
![]() |
![]() HEF4066BP |
![]() Other |
![]() |
![]() Data Sheet |
![]() Negotiable |
|
||||||||||||
![]() |
![]() HEF4066BP,652 |
![]() NXP Semiconductors |
![]() Analog Switch ICs QUAD BILATERL SWITCH |
![]() Data Sheet |
![]()
|
|
||||||||||||
(Hong Kong)










