Product Summary
The FZ1200R is an IGBT Module.
Parametrics
FZ1200R absolute maximum ratings: (1)Collector-emitter voltage, VCES: 1700 V; (2)DC-collector current, TC = 80℃, IC,nom: 1200 A; TC = 25℃, IC: 2400 A; (3)Repetitive peak collector current, tP = 1 ms, TC = 80℃, ICRM: 2400 A; (4)Total power dissipation, TC=25℃, Transistor Ptot: 9,6 kW; (5)Gate-emitter peak voltage, VGES: +/- 20 V; (6)DC forward current, IF: 1200 A; (7)Repetitive peak forw. current, tp = 1 ms IFRM: 2400 A; (8)I2t - value, Diode, VR = 0V, tp = 10ms, TVj = 125℃, I2t: 440 kA2s; (9)Insulation test voltage, RMS, f = 50 Hz, t = 1 min. VISOL: 4 kV.
Features
FZ1200R features: (1)Collector-emitter saturation voltage, IC = 1200A, VGE = 15V, Tvj = 25℃, VCEsat: 2.6 to 3.1 V; IC = 1200A, VGE = 15V, Tvj = 125℃, VCEsat: 3.1 to 3.6 V; (2)Gate threshold voltage, IC = 80mA, VCE = VGE, Tvj = 25℃, VGE(th): 4.5 to 6.5 V; (3)Gate charge, VGE = -15V to +15V, QG: 14,5μC; (4)Input capacitance, f = 1MHz, Tvj = 25℃, VCE = 25V, VGE = 0V, Cies: 79 nF; (5)Reverse transfer capacitance, f = 1MHz, Tvj = 25℃, VCE = 25V, VGE = 0V, Cres: 4 nF; (6)Collector-emitter cut-off current, VCE = 1700V, VGE = 0V, Tvj = 25℃, ICES: 0.03 to 2.5 mA; VCE = 1700V, VGE = 0V, Tvj = 125℃, ICES: 16 to 120 mA; (7)Gate-emitter leakage current, VCE = 0V, VGE = 20V, Tvj = 25℃, IGES: 400 nA.
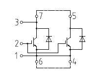
Diagrams

| Image | Part No | Mfg | Description | ![]() |
Pricing (USD) |
Quantity | ||||||||||||
|---|---|---|---|---|---|---|---|---|---|---|---|---|---|---|---|---|---|---|
![]() |
![]() FZ1200R12HE4 |
![]() Infineon Technologies |
![]() IGBT Modules |
![]() Data Sheet |
![]()
|
|
||||||||||||
![]() |
![]() FZ1200R12HP4 |
![]() Infineon Technologies |
![]() IGBT Modules IGBT 1200V 1200A |
![]() Data Sheet |
![]()
|
|
||||||||||||
![]() |
![]() FZ1200R12KF4 |
![]() Infineon Technologies |
![]() IGBT Modules 1200V 1200A SINGLE |
![]() Data Sheet |
![]()
|
|
||||||||||||
![]() |
![]() FZ1200R12KL4C |
![]() Infineon Technologies |
![]() IGBT Modules 1200V 1200A SINGLE |
![]() Data Sheet |
![]()
|
|
||||||||||||
![]() |
![]() FZ1200R12KF5 |
![]() Infineon Technologies |
![]() IGBT Modules IGBT 1200V 1200A |
![]() Data Sheet |
![]()
|
|
||||||||||||
![]() |
![]() FZ1200R12KE3 |
![]() Infineon Technologies |
![]() IGBT Transistors 1200V 1200A SINGLE |
![]() Data Sheet |
![]()
|
|
||||||||||||
![]() |
![]() FZ1200R16KF4 |
![]() Infineon Technologies |
![]() IGBT Modules 1600V 1200A SINGLE |
![]() Data Sheet |
![]()
|
|
||||||||||||
![]() |
![]() FZ1200R17HE4 |
![]() Infineon Technologies |
![]() IGBT Modules IGBT 1700V 1200A |
![]() Data Sheet |
![]()
|
|
||||||||||||
(Hong Kong)









