Product Summary
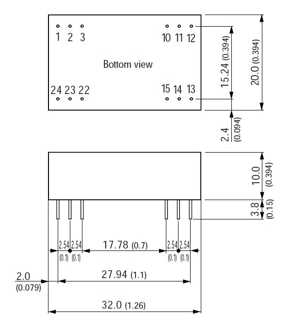
The TEM2-1222 is a 5V isolated dc/dc converter in a DIP-24 package. It offers tight line/ load regulation and 500 VDC I/O-isolation. Standard features include an internal filter to reduce reflected input ripple current and to guarantee low output noise. The TEM2-1222 provides a cost effective solution by many industrial or consumer electronics applications.
Parametrics
TEM2-1222 absolute maximum ratings: (1)Input current (no load) 5 Vin models: 80 mA typ; 12 Vin models: 40 mA typ; 24 Vin models 20 mA typ.; (2)Input current (full load) 5 Vin models: 770 mA typ; 12 Vin models: 300 mA typ; 24 Vin models 145 mA typ.; (3)Surge voltage (1 sec. max.) 5 Vin models: 7.5 VDC; 12 Vin models: 15.0 VDC; 24 Vin models: 30.0 VDC; (4)Voltage set accuracy: ± 3 %; (5)Regulation, Input variation Vin min. to Vin max: ± 0.3 % max; Load variation 10 – 100 %, single output models: ± 0.5 % max; dual output models balanced load ± 1.0 % max; dual output models un balanced load: ± 3.0 % max.; (6)Ripple and noise (20 MHz Bandwidth): 50 mVpk-pk max.; (7)Temperature coefficient: ± 0.02 % / ℃; (8)Output current limitation: > 120% Iout max., constant current; (9)Short circuit protection: indefinite; (10)Capacitive load, single output models 470 μF max; single output models: 220 μF max.
Features
TEM2-1222 features: (1)24–Pin DIP Plastic Package; (2)Tightly regulated Output; (3)Very low Output Noise; (4)Short-Circuit Protection; (5)Internal Filter; (6)Industry Standard Pinout; (7)2 Year Product Warranty.
Diagrams

(Hong Kong)







