Product Summary
The RY5W-K is a 55Hz avalanche diode.
Parametrics
RY5W-K absolute maximum ratings: (1)Vibration Misoperation: 10 to 55 Hz (double amplitude of 1.5 mm); (2)Resistance Endurance: 10 to 55 Hz (double amplitude of 4.5 mm); (3)Shock Misoperation: 100 m/s2 (11±1 ms); (4)Resistance Endurance: 1,000 m/s2 ( 6±1 ms); (5)Weight Approximately: 5 g; (6)Maximum Switching Power 60 VA/24 W; (7)Maximum Switching Voltage 120 VAC; (8)Maximum Switching Current 1 A; (9)Minimum Switching Load: 0.01 mA.
Features
RY5W-K features: (1)Ultra high sensitivity; (2)UL, CSA recognized; (3)Conforms to FCC rules and regulations Part 68. Surge strength 1,500 V; (4)High dielectric strength type available (RY-WF type); (5)Contact arrangement MBB type available (RY-D type); (6)High reliability-bifurcated contacts; (7)Wide operating range; (8)DIL pitch terminals; (9)Plastic sealed type; (10)RoHS compliant since date code: 0438B9 Please see page 8 for more information.
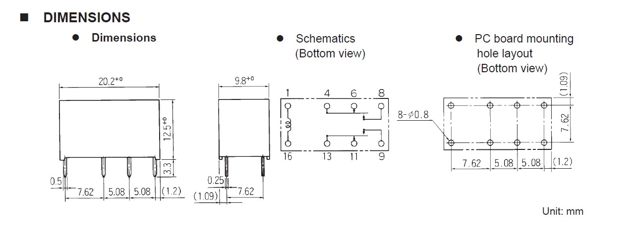
Diagrams

(Hong Kong)






