Product Summary
The IM03NS is an IM Relay. The applications of the IM03NS include Communications equipment, Linecard application analog, ISDN, xDSL, PABX Voice over IP, Office and business equipment, Measurement and control equipment, Consumer electronics Set top boxes, HiFi, Medical equipment.
Parametrics
IM03NS absolute maximum ratings: (1)Number of contacts and type: 2 changeover contacts; (2)Contact assembly: Bifurcated contacts; (3)Contact material: Palladium-ruthenium, gold-covered; (4)Limiting continuous current at max. ambient temperature: 2A; (5)Maximum switching current: 2A; (6)Maximum swichting voltage: 220V, 250V; (7)Maximum switching capacity: 60W, 62.5VA; (8)Thermoelectric potential: <10μV; (9)Initial contact resistance/measuring condition: 10mA/20mV: < 50mΩ.
Features
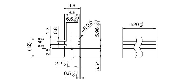
IM03NS features: (1)Telecom/signal relay (dry circuit, test access, ringing); (2)Slim line10 x 6 mm, 0.39 x 0.24 inch; (3)Low profile 5.65 mm, 0.222 inch; (4)Minimum board-space 60 mm2; (5)Switching current 2 A; (6)2 changeover contacts (2 form C / DPDT); (7)Bifurcated contacts, gold plated; (8)High sensitivity results in low nominal power consumption: 140mW for non latching, 100mW for latching version; (9)High surge capability (1.2/50 μs and 10/700μs) meets Bellcore GR 1089, FCC Part 68 and ITU-T K20≥1500 V between open contacts; (10)≥2500 V between coil and contacts; (11) High mechanical shock resistance up to 300 G functional, up to 500 G survival.
Diagrams

| Image | Part No | Mfg | Description | ![]() |
Pricing (USD) |
Quantity | ||||||||||||
|---|---|---|---|---|---|---|---|---|---|---|---|---|---|---|---|---|---|---|
![]() |
![]() IM03NS |
![]() TE Connectivity / Axicom |
![]() High Frequency / RF Relays 140 MW 5 V 11 |
![]() Data Sheet |
![]()
|
|
||||||||||||
| Image | Part No | Mfg | Description | ![]() |
Pricing (USD) |
Quantity | ||||||||||||
![]() |
![]() IM03GR |
![]() TE Connectivity / Axicom |
![]() High Frequency / RF Relays 5VDC Non-latching Single coil gullwing |
![]() Data Sheet |
![]()
|
|
||||||||||||
![]() |
![]() IM03JR |
![]() TE Connectivity / Axicom |
![]() High Frequency / RF Relays 140 mW 5 V 10 |
![]() Data Sheet |
![]()
|
|
||||||||||||
![]() |
![]() IM03NS |
![]() TE Connectivity / Axicom |
![]() High Frequency / RF Relays 140 MW 5 V 11 |
![]() Data Sheet |
![]()
|
|
||||||||||||
![]() |
![]() IM03TS |
![]() TE Connectivity / Axicom |
![]() High Frequency / RF Relays 5VDC Non-latching Single coil |
![]() Data Sheet |
![]()
|
|
||||||||||||
![]() |
![]() IM03DGR |
![]() TE Connectivity / Axicom |
![]() High Frequency / RF Relays IM RELAY 140mW 5V |
![]() Data Sheet |
![]()
|
|
||||||||||||
![]() |
![]() IM03CGR |
![]() TE Connectivity / Axicom |
![]() High Frequency / RF Relays 140mW 5V DIELEC. |
![]() Data Sheet |
![]()
|
|
||||||||||||
(Hong Kong)










