Product Summary
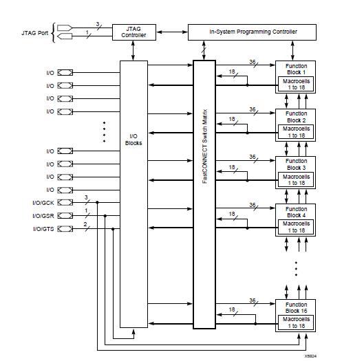
The XC95288-20HQ208I is a high-performance CPLD providing advanced in-system programming and test capabilities for general purpose logic integration. The XC95288-20HQ208I is comprised of sixteen 36V18 Function Blocks, providing 6,400 usable gates with propagation delays of 10 ns. See Figure 2 for the architec-ture overview.
Parametrics
XC95288-20HQ208I absolute maximum ratings: (1)VCC, Supply voltage relative to GND: -0.5 to 7.0 V; (2)VIN, DC input voltage relative to GND: -0.5 to VCC + 0.5 V; (3)VTS, Voltage applied to 3-state output with respect to GND: -0.5 to VCC + 0.5 V; (4)TSTG, Storage temperature: -65 to +150℃; (5)TSOL, Max soldering temperature (10 s @ 1/16 in = 1.5 mm): +260℃.
Features
XC95288-20HQ208I features: (1)10 ns pin-to-pin logic delays on all pins; (2)fCNT to 95 MHz; (3)288 macrocells with 6,400 usable gates; (4)Up to 192 user I/O pins; (5)5 V in-system programmable, Endurance of 10,000 program/erase cycles; Program/erase over full commercial voltage and temperature range; (6)Enhanced pin-locking architecture; (7)Flexible 36V18 Function Block, 90 product terms drive any or all of 18 macrocells within Function Block; Global and product term clocks, output enables, set and reset signals; (8)Extensive IEEE Std 1149.1 boundary-scan (JTAG) support; (9)Programmable power reduction mode in each macrocell; (10)Slew rate control on individual outputs; (11)User programmable ground pin capability; (12)Extended pattern security features for design protection; (13)High-drive 24 mA outputs; (14)3.3 V or 5 V I/O capability; (15)Advanced CMOS 5V FastFLASH technology; (16)Supports parallel programming of more than one XC9500 concurrently; (17)Available in 352-pin BGA and 208-pin HQFP packages.
Diagrams

| Image | Part No | Mfg | Description | ![]() |
Pricing (USD) |
Quantity | ||||||||||||||||
|---|---|---|---|---|---|---|---|---|---|---|---|---|---|---|---|---|---|---|---|---|---|---|
![]() |
![]() XC95288-20HQ208I |
![]() |
![]() IC CPLD 288 MCELL I-TEMP 208HQFP |
![]() Data Sheet |
![]() Negotiable |
|
||||||||||||||||
| Image | Part No | Mfg | Description | ![]() |
Pricing (USD) |
Quantity | ||||||||||||||||
![]() |
![]() XC9500 |
![]() Other |
![]() |
![]() Data Sheet |
![]() Negotiable |
|
||||||||||||||||
![]() |
![]() XC9500XV |
![]() Other |
![]() |
![]() Data Sheet |
![]() Negotiable |
|
||||||||||||||||
![]() |
![]() XC9501 |
![]() Other |
![]() |
![]() Data Sheet |
![]() Negotiable |
|
||||||||||||||||
![]() |
![]() XC9502 |
![]() Other |
![]() |
![]() Data Sheet |
![]() Negotiable |
|
||||||||||||||||
![]() |
![]() XC9503 |
![]() Other |
![]() |
![]() Data Sheet |
![]() Negotiable |
|
||||||||||||||||
![]() |
![]() XC9503B093AR-G |
![]() |
![]() IC REG BUCK ADJ 1A DL 10MSOP |
![]() Data Sheet |
![]()
|
|
||||||||||||||||
(Hong Kong)










