Product Summary
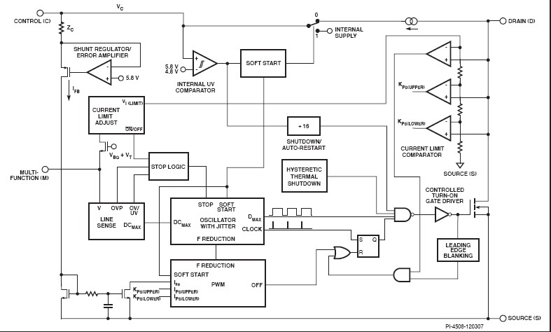
The TOP261YN is an Integrated Off-Line Switcher. TOPSwitch-HX cost effectively incorporates a 700 V power MOSFET, high voltage switched current source, PWM control, oscillator, thermal shutdown circuit, fault protection and other control circuitry onto a monolithic device.
Parametrics
TOP261YN absolute maximum ratings: (1)DRAIN Peak Voltage: -0.3 V to 700 V; (2)CONTROL Voltage: -0.3 V to 9 V; (3)CONTROL Current: 100 mA; (4)VOLTAGE MONITOR Pin Voltage: -0.3 V to 9 V; (5)CURRENT LIMIT Pin Voltage: -0.3 V to 4.5 V; (6)MULTI-FUNCTION Pin Voltage: -0.3 V to 9 V; (7)FREQUENCY Pin Voltage: -0.3 V to 9 V; (8)Storage Temperature: -65 ℃ to 150 ℃; (9)Operating Junction Temperature: -40 ℃ to 150 ℃; (10)Lead Temperature: 260 ℃.
Features
TOP261YN features: (1)Line under voltage (UV) detection prevents turn-off glitches; (2)Line overvoltage (OV) shutdown extends line surge limit; (3)Accurate programmable current limit; (4)Optimized line feed-forward for line ripple rejection; (5)132 kHz frequency (254Y-258Y and all E/L packages) reduces transformer and power supply size; (6)Half frequency option for video applications; (7)Frequency jittering reduces EMI filter cost.
Diagrams

| Image | Part No | Mfg | Description | ![]() |
Pricing (USD) |
Quantity | ||||||||||||
|---|---|---|---|---|---|---|---|---|---|---|---|---|---|---|---|---|---|---|
![]() |
![]() TOP261YN |
![]() Power Integrations |
![]() AC/DC Switching Converters Int Off-Line Switchr 254W/333W |
![]() Data Sheet |
![]()
|
|
||||||||||||
| Image | Part No | Mfg | Description | ![]() |
Pricing (USD) |
Quantity | ||||||||||||
![]() |
![]() TOP200-14 |
![]() Other |
![]() |
![]() Data Sheet |
![]() Negotiable |
|
||||||||||||
![]() |
![]() TOP200-4 |
![]() Other |
![]() |
![]() Data Sheet |
![]() Negotiable |
|
||||||||||||
![]() |
![]() TOP200YAI |
![]() Power Integrations |
![]() AC/DC Switching Converters 5-12W 85-265 VAC 10-25W100/115/230VAC |
![]() Data Sheet |
![]() Negotiable |
|
||||||||||||
![]() |
![]() TOP200YN |
![]() Power Integrations |
![]() AC/DC Switching Converters 5-12W 85-265 VAC 10-25W100/115/230VAC |
![]() Data Sheet |
![]() Negotiable |
|
||||||||||||
![]() |
![]() TOP201YAI |
![]() Power Integrations |
![]() AC/DC Switching Converters 0-22W 85-265 VAC 20-45W100/115/230VAC |
![]() Data Sheet |
![]() Negotiable |
|
||||||||||||
![]() |
![]() TOP201YN |
![]() Power Integrations |
![]() AC/DC Switching Converters 0-22W 85-265 VAC 20-45W100/115/230VAC |
![]() Data Sheet |
![]() Negotiable |
|
||||||||||||
(Hong Kong)










