Product Summary
The PIC33FJ128GP306-I/PT is a 16-bit Digital Signal Controller (up to 256 KB Flash and 30 KB SRAM) with Advanced Analog. The PIC33FJ128GP306-I/PT is ideal for a wide variety of 16-bit MCU embedded applications. The controller with codec interfaces are well-suited for speech and audio processing applications. The PIC33FJ128GP306-I/PT names, pin counts, memory sizes and peripheral availability of each family are listed below, followed by their pinout diagrams.
Parametrics
PIC33FJ128GP306-I/PT absolute maximum ratings: (1)Ambient temperature under bias: -40 to +125℃; (2)Storage temperature: -65 to +160℃; (3)Voltage on VDD with respect to VSS: -0.3V to +4.0V; (4)Voltage on any pin that is not 5V tolerant with respect to VSS(4) : -0.3V to (VDD + 0.3V); (5)Voltage on any 5V tolerant pin with respect to VSS when VDD≥ 3.0V(4): -0.3V to +5.6V; (6)Voltage on any 5V tolerant pin with respect to Vss when VDD<3.0V(4): -0.3V to 3.6V; (7)Maximum current out of VSS pin: 300 mA; (8)Maximum current into VDD pin: 250 mA; (9)Maximum current sourced/sunk by any 2x I/O pin(3): 8 mA; (10)Maximum current sourced/sunk by any 4x I/O pin(3): 15 mA; (11)Maximum current sourced/sunk by any 8x I/O pin(3): 25 mA; (12)Maximum current sunk by all ports: 200 mA; (13)Maximum current sourced by all ports: 200 mA.
Features
PIC33FJ128GP306-I/PT features: (1)Two ADC modules: Configurable as 10-bit, 1.1 Msps with four; (2)S&H or 12-bit, 500 ksps with one S&H; 18 analog inputs on 64-pin devices and up to 32 analog inputs on 100-pin devices; (3)Flexible and independent ADC trigger sources; (4)±2% internal oscillator; (5)Programmable PLLs and oscillator clock sources; (6)Fail-Safe Clock Monitor (FSCM); (7)Independent Watchdog Timer (WDT); (8)Fast wake-up and start-up.
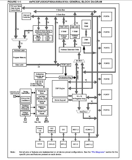
Diagrams

(Hong Kong)






