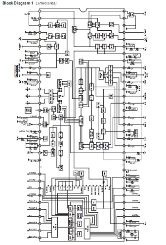
Product Summary
The LA76941 is a single-chip video and sound processor IC with a built-in microcontroller that supports all of the different worldwide broadcasting systems. The LA76941 IC provides fully integrated solution to rationalize the design of color TV sets, increase productivity, and reduce total costs.
Parametrics
LA76941 absolute maximum ratings: (1)Maximum supply voltage: 7.0 V; (2)Maximum supply current:I11 max=25 mA, I19 max= 35 mA; (3)Allowable power dissipation,Ta ≤ 65℃: 1.6 W; (4)Operating temperature: -10 to +65℃; (5)Storage temperature: -55 to +150℃.
Features
LA76941 features: (1)I2C bus control system with a built-in microcontroller; (2)VIF/SIF/Y/C/Deflection/CbCr IN; (3)Adjustment-free VIF/SIF; (4)1Xtal multi-system that supports all broadcasting systems; (5)No VCO coil required; (6)Internal sound carrier BPF, 4-system sound carrier trap; (7)Digital AFT system; (8)Supports EW (LA76933J, LA76938Y); (9)Supports SECAM (LA76936Y, LA76938Y).
Diagrams

(Hong Kong)






