Product Summary
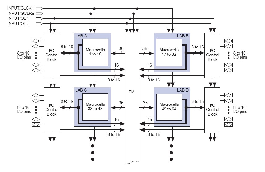
The EPM7256EQC160-12 is a high-density, high-performance PLD. The EPM7256EQC160-12 is based on Altera’s second-generation MAX architecture. Fabricated with advanced CMOS technology, the EPM7256EQC160-12 provides 600 to 5,000 usable gates, ISP, pin-to-pin delays as fast as 5 ns, and counter speeds of up to 175.4 MHz.
Parametrics
EPM7256EQC160-12 absolute maximum ratings: (1)VCC Supply voltage With respect to ground (2): –2.0 to 7.0 V; (2)VI DC input voltage: –2.0 to 7.0 V; (3)IOUT DC output current, per pin: –25 to 25 mA; (4)TSTG Storage temperature No bias: –65 to 150℃; (5)TAMB Ambient temperature Under bias: –65 to 135℃; (6)TJ Junction temperature Ceramic packages, under bias: 150℃; (7)PQFP and RQFP packages, under bias: 135℃.
Features
EPM7256EQC160-12 features: (1)High-performance, EEPROM-based programmable logic devices (PLDs) based on second-generation MAXR architecture; (2)5.0-V in-system programmability (ISP) through the built-in IEEE Std. 1149.1 Joint Test Action Group (JTAG) interface available in MAX 7000S devices: ISP circuitry compatible with IEEE Std. 1532; (3)Includes 5.0-V MAX 7000 devices and 5.0-V ISP-based MAX 7000S; (4)devices; (5)Built-in JTAG boundary-scan test (BST) circuitry in MAX 7000S devices with 128 or more macrocells; (6)Complete EPLD family with logic densities ranging from 600 to 5,000 usable gates (see Tables 1 and 2); (7)5-ns pin-to-pin logic delays with up to 175.4-MHz counter frequencies (including interconnect); (8)PCI-compliant devices available.
Diagrams

(Hong Kong)






