Product Summary
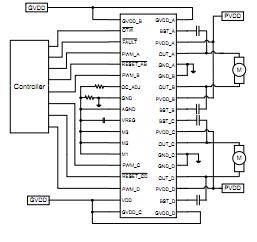
The DRV8412DDWR is a Dual Full Bridge PWM Motor Driver. Because of the low RDS(on) of the H-Bridge MOSFETs and intelligent gate drive design, the efficiency of the motor driver can be up to 97%, which enables the use of smaller power supplies and heatsinks, and are good candidates for energy efficient applications. The DRV8412DDWR requires two power supplies, one at 12 V for GVDD and VDD, and another up to 50 V for PVDD. The applications of the DRV8412DDWR include Brushed DC and Stepper Motors, Three Phase Permanent Magnet Synchronous Motors, Robotic and Haptic Control System, Actuators and Pumps, Precision Instruments, TEC Drivers.
Parametrics
DRV8412DDWR absolute maximum ratings: (1)VDD to GND: -0.3 V to 13.2 V; (2)GVDD_X to GND: -0.3 V to 13.2 V; (3)PVDD_X to GND_X: -0.3 V to 70 V; (4)OUT_X to GND_X: -0.3 V to 70 V; (5)BST_X to GND_X: -0.3 V to 80 V; (6)Transient peak output current (per pin), pulse width limited by internal over-current protection circuit: 16 A; (7)Transient peak output current for latch shut down (per pin): 20 A; (8)VREG to AGND: -0.3 V to 4.2 V; (9)GND_X to GND: -0.3 V to 0.3 V; (10)GND to AGND: -0.3 V to 0.3 V; (11)PWM_X to GND: -0.3 V to 4.2 V; (12)OC_ADJ, M1, M2, M3 to AGND: -0.3 V to 4.2 V; (13)RESET_X, FAULT, OTW to GND: -0.3 V to 7 V; (14)Maximum continuous sink current (FAULT, OTW): 9 mA; (15)Maximum operating junction temperature range, TOP: -40℃ to 150℃; (16)Storage temperature, TSTG: -55℃ to 150℃.
Features
DRV8412DDWR features: (1)High-Efficiency Power Stage (up to 97%) with Low RDS(on) MOSFETs (80 mΩ at TJ = 25℃); (2)Operating Supply Voltage up to 50 V (70 V Absolute Maximum); (3)DRV8412 (power pad down): up to 2 x 3 A, Continuous Output Current (2 x 6 A Peak) in Dual Full Bridge Mode or 6 A Continuous Current in Parallel Mode (12 A Peak); (4)DRV8422 (power pad up): up to 2 x 5 A, Continuous Output Current (2 x 9 A Peak) in Dual Full Bridge Mode or 10 A Continuous Current in Parallel Mode (18 A Peak); (5)DRV8432 (power pad up): up to 2 x 7 A, Continuous Output Current (2 x 12 A Peak) in Dual Full Bridge Mode or 14 A Continuous Current in Parallel Mode (24 A Peak); (6)PWM Operating Frequency up to 500 kHz; (7)Integrated Self-Protection Circuits Including Undervoltage, Overtemperature, Overload, and Short Circuit; (8)Programmable Cycle-by-Cycle Current Limit Protection; (9)Independent Supply and Ground Pins for Each Half Bridge; (10)Intelligent Gate Drive and Cross Conduction Prevention; (11)No External Snubber or Schottky Diode is Required.
Diagrams

| Image | Part No | Mfg | Description | ![]() |
Pricing (USD) |
Quantity | ||||||||||||
|---|---|---|---|---|---|---|---|---|---|---|---|---|---|---|---|---|---|---|
![]() |
![]() DRV8412DDWR |
![]() Texas Instruments |
![]() Motor / Motion / Ignition Controllers & Drivers Dual Full Bridge PWM Motor Driver |
![]() Data Sheet |
![]()
|
|
||||||||||||
| Image | Part No | Mfg | Description | ![]() |
Pricing (USD) |
Quantity | ||||||||||||
![]() |
![]() DRV8301DCA |
![]() Texas Instruments |
![]() Motor / Motion / Ignition Controllers & Drivers 3-PHASE BRUSHLESS MOTOR PRE-DRIVER |
![]() Data Sheet |
![]()
|
|
||||||||||||
![]() |
![]() DRV8301DCAR |
![]() Texas Instruments |
![]() Motor / Motion / Ignition Controllers & Drivers 3-PHASE BRUSHLESS MOTOR PRE-DRIVER |
![]() Data Sheet |
![]()
|
|
||||||||||||
![]() |
![]() DRV8301-HC-C2-KIT |
![]() Texas Instruments |
![]() Power Management IC Development Tools 3 Phase BLDC & PMSM Motor Kit |
![]() Data Sheet |
![]()
|
|
||||||||||||
![]() |
![]() DRV8301-LS31-KIT |
![]() Texas Instruments |
![]() Power Management IC Development Tools 3-Phase BLDC, PMSM Motor Kit |
![]() Data Sheet |
![]()
|
|
||||||||||||
![]() |
![]() DRV8301-RM48-KIT |
![]() Texas Instruments |
![]() Power Management IC Development Tools 3-Phase BLDC, PMSM Motor Kit |
![]() Data Sheet |
![]()
|
|
||||||||||||
![]() |
![]() DRV8302DCA |
![]() Texas Instruments |
![]() Motor / Motion / Ignition Controllers & Drivers 3-PHASE BRUSHLESS MOTOR PRE-DRIVER |
![]() Data Sheet |
![]()
|
|
||||||||||||
(Hong Kong)














