Product Summary
The NL6448BC20-18D is a TFT (thin film transistor) active matrix color liquid crystal display (LCD) comprising amorphous silicon TFT attached to each signal electrode, a driving circuit and a backlight. NL6448BC20-18D has a built-in backlight. Backlight includes long-life lamps and the lamps are replaceable.
Parametrics
Absolute maximum ratings: (1)Supply voltage: -0.3 to 6.5 V at Ta = 25℃, VI - VCC < 3.0; (2)Input voltage: -0.3 to VCC + 0.3 V; (3)Lamp voltage: 1600 Vrms; (4)Storage temp.: -25 to 70 ℃; (5)Operating remp.: 0 to 60 ℃; (6)Humidity (no condensation) ≤ 95% relative humidity at Ta ≤ 40℃, ≤ 85% relative humidity at 40 < Ta ≤ 50℃, Absolute humidity shall not exceed Ta = 50℃, 85% relative humidity level at Ta > 50℃.
Features
Features: (1)High luminance (300 cd/m2, typ.); (2)Low reflection; (3)Wide viewing angle with retardation film (Antiglare treatment); (4)Display reverse scan function; (5)6-bit digital RGB signals; (6)Edge type backlight with long-life-lamps (Two lamp holders, inverter-less); (7)Variable luminance control; (8)Recommended inverter (Part No. 65PWB31); (9)Compatible to the mounting holes position of NL6448AC20-06 except for inverter.
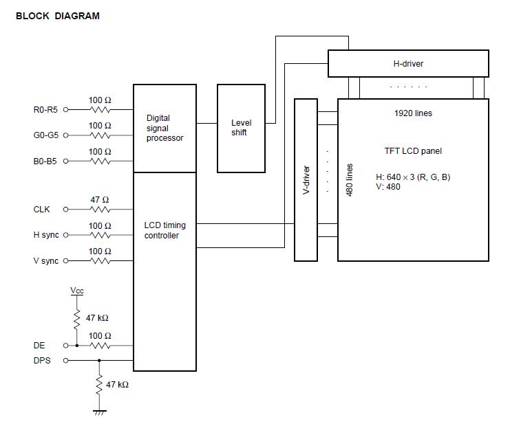
Diagrams

![]() |
![]() NL6448AC20-06 |
![]() Other |
![]() |
![]() Data Sheet |
![]() Negotiable |
|
||||
![]() |
![]() NL6448AC20-08 |
![]() Other |
![]() |
![]() Data Sheet |
![]() Negotiable |
|
||||
![]() |
![]() NL6448AC33-18A |
![]() Other |
![]() |
![]() Data Sheet |
![]() Negotiable |
|
||||
![]() |
![]() NL6448AC33-29 |
![]() Other |
![]() |
![]() Data Sheet |
![]() Negotiable |
|
||||
![]() |
![]() NL6448BC20-08 |
![]() Other |
![]() |
![]() Data Sheet |
![]() Negotiable |
|
||||
![]() |
![]() NL6448BC33-31 |
![]() Other |
![]() |
![]() Data Sheet |
![]() Negotiable |
|
||||
(Hong Kong)








