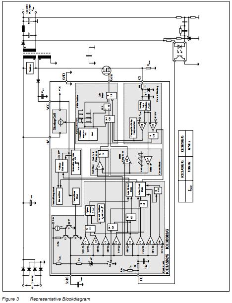
Product Summary
The 3BS02 is an Off-Line SMPS Current Mode Controller. The 3BS02 provides Active Burst Mode to reach the lowest Standby Power Requirements <100mW at no load. As the 3BS02 is always active during Active Burst Mode, there is an immediate response on load jumps without any black out in the SMPS. In Active Burst Mode the ripple of the output voltage can be reduced <1%. Furthermore, to increase the robustness and safety of the system, the 3BS02 enters into Auto Restart Mode in the cases of Overtemperature, VCC Overvoltage, Output Open Loop or Overload and VCC Undervoltage. By means of the internal precise peak current limitation, the dimension of the transformer and the secondary diode can be lowered which leads to more cost efficiency.
Parametrics
3BS02 absolute maximum ratings: (1)HV Voltage, VHV: 500V; (2)VCC Supply Voltage, VVCC: -0.3 to 22 V; (3)FB Voltage, VFB: -0.3 to 6.5 V; (4)SoftS Voltage, VSoftS: -0.3 to 6.5 V; (5)Gate Voltage, VGate: -0.3 to 22 V; (6)CS Voltage, VCS: -0.3 to 6.5 V; (7)Junction Temperature, Tj: -40 to 150℃; (8)Storage Temperature, TS: -55 to 150℃; (9)Total Power Dissipation, PtotDSO8: 0.45 W; PtotDIP8: 0.90 W; (10)Thermal Resistance, RthJADSO8: 185 K/W; (11)Junction-Ambient, RthJADIP8: 90 K/W; (12)ESD Capability(incl. HV Pin), VESD: 3 kV.
Features
3BS02 features: (1)Active Burst Mode for lowest Standby Power @ light load controlled by Feedback Signal; (2)Fast load jump response in Active Burst Mode; (3)500V Startup Cell switched off after Start Up; (4)100/67kHz internally fixed switching frequency; (5)Auto Restart Mode for Overtemperature Detection; (6)Auto Restart Mode for VCC Overvoltage Detection; (7)Auto Restart Mode for Overload and Open Loop; (8)Auto Restart Mode for VCC Undervoltage; (9)Blanking Window for short duration high current; (10)User defined Soft Start; (11)Minimum of external components required; (12)Max Duty Cycle 72%; (13)Overall tolerance of Current Limiting < ±5%; (14)Internal PWM Leading Edge Blanking; (15)Soft switching for low EMI.
Diagrams

(Hong Kong)






