Product Summary
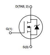
The STF26NM60N is an N-channel Power MOSFET developed using the second generation of MDmesh technology. This revolutionary Power MOSFET applies a new vertical structure to the company’s strip layout to yield a device with one of the world’s lowest on-resistance and gate charge, making it suitable for the most demanding high-efficiency converters. The STF26NM60N is use for Switching applications.
Parametrics
STF26NM60N absolute maximum ratings: (1)Drain-source voltage: 600 V; (2)VGS Gate-source voltage: ± 25 V; (3)ID Drain current (continuous)at TC = 25 °C: 20A; (4)Drain current (continuous)at TC = 100 °C: 12.6A; (5)Drain current (pulsed): 80A; (6)PTOT Total dissipation at TC = 25 °C: 35 W, Derating factor: 0.28 W/°C; (7)Peak diode recovery voltage slope: 15 V/ns; (8)Insulation withstand voltage (RMS)from all three leads to external heat sink: 2500 V; (9)Tstg Storage temperature: –55 to 150 °C; (10)Tj Max. operating junction temperature: 150 °C.
Features
STF26NM60N features: (1)100% avalanche tested; (2)Low input capacitance and gate charge; (3)Low gate input resistance.
Diagrams

| Image | Part No | Mfg | Description | ![]() |
Pricing (USD) |
Quantity | ||||||||||
|---|---|---|---|---|---|---|---|---|---|---|---|---|---|---|---|---|
![]() |
![]() STF26NM60N |
![]() STMicroelectronics |
![]() MOSFET N-channel 600 V 20 A Mdmesh |
![]() Data Sheet |
![]()
|
|
||||||||||
![]() |
![]() STF26NM60N-H |
![]() STMicroelectronics |
![]() MOSFET POWER MOSFET N-CH 600V |
![]() Data Sheet |
![]()
|
|
||||||||||
(Hong Kong)









