Product Summary
The 2N6301 is a Silicon NPN Power Transistor. It is used for General purpose power amplifier and low frequency switching applications.
Parametrics
2N6301 absolute maximum ratings: (1)Collector-base voltage: 80V; (2)VCEO Collector-emitter voltage: 80V; (3)VEBO Emitter-base voltage Open collector: 5 V; (4)IC Collector current: 8 A; (5)ICM Collector current-peak: 16 A; (6)IB Base current: 0.12 A; (7)PT Total power dissipation TC=25℃: 75 W; (8)Tj Junction temperature: 200 ℃; (9)Tstg Storage temperature: -65~200 ℃.
Features
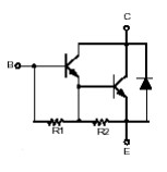
2N6301 features: (1)With TO-66 package; (2)DARLINGTON; (3)Low collector saturation voltage; (4)Complement to type 2N6298/6299.
Diagrams

| Image | Part No | Mfg | Description | ![]() |
Pricing (USD) |
Quantity | ||||
|---|---|---|---|---|---|---|---|---|---|---|
![]() |
![]() 2N6301 |
![]() Other |
![]() |
![]() Data Sheet |
![]() Negotiable |
|
||||
| Image | Part No | Mfg | Description | ![]() |
Pricing (USD) |
Quantity | ||||
![]() |
![]() 2N6300 |
![]() Other |
![]() |
![]() Data Sheet |
![]() Negotiable |
|
||||
![]() |
![]() 2N6301 |
![]() Other |
![]() |
![]() Data Sheet |
![]() Negotiable |
|
||||
![]() |
![]() 2N6302 |
![]() Other |
![]() |
![]() Data Sheet |
![]() Negotiable |
|
||||
![]() |
![]() 2N6303 |
![]() Other |
![]() |
![]() Data Sheet |
![]() Negotiable |
|
||||
![]() |
![]() 2N6304 |
![]() Other |
![]() |
![]() Data Sheet |
![]() Negotiable |
|
||||
![]() |
![]() 2N6306 |
![]() Other |
![]() |
![]() Data Sheet |
![]() Negotiable |
|
||||
(Hong Kong)









