Product Summary
The 2SK2789 is a Silicon N Channel MOS Type Field Effect Transistor.
Parametrics
2SK2789 absolute maximum ratings: (1)Drain-source voltage VDSS: 100 V; (2)Drain-gate voltage (RGS = 20 kΩ)VDGR: 100 V; (3)Gate-source voltage VGSS: ±20 V; (4)Drain current: 108 A; (5)Drain power dissipation (Tc = 25°C)PD: 60 W; (6)Single pulse avalanche energy: 193 mJ; (7)Avalanche current IAR: 27 A; (8)Repetitive avalanche energy EAR: 6 mJ; (9)Channel temperature Tch: 150 °C; (10)Storage temperature range Tstg: -55~150 °C.
Features
2SK2789 features: (1)4-V gate drive; (2)Low drain-source ON resistance : RDS (ON)= 66 mΩ (typ.); (3)High forward transfer admittance : |Yfs| = 16 S (typ.); (4)Low leakage current :IDSS = 100 μA (max)(VDS = 100 V); (5)Enhancement mode : Vth = 0.8~2.0 V (VDS = 10 V, ID = 1 mA).
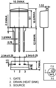
Diagrams

| Image | Part No | Mfg | Description | ![]() |
Pricing (USD) |
Quantity | ||||||
|---|---|---|---|---|---|---|---|---|---|---|---|---|
![]() |
![]() 2SK2789 |
![]() Other |
![]() |
![]() Data Sheet |
![]() Negotiable |
|
||||||
![]() |
![]() 2SK2789(SM,Q) |
![]() |
![]() MOSFET N-CH 100V 27A TO-220SM |
![]() Data Sheet |
![]() Negotiable |
|
||||||
![]() |
![]() 2SK2789(TE24L) |
![]() |
![]() MOSFET N-CH 100V 27A TO220SM |
![]() Data Sheet |
![]() Negotiable |
|
||||||
![]() |
![]() 2SK2789(TE24L,Q) |
![]() |
![]() MOSFET N-CH 100V 27A TO220SM |
![]() Data Sheet |
![]()
|
|
||||||
(Hong Kong)










