Product Summary
The BCR8PM-12L is a Triac. The applications of it are Switching mode power supply, light dimmer, electronic flasher unit, control of household equipment such as TV sets, stereo systems, refrigerator, washing machine, infrared kotatsu, and carpet, solenoid driver, small motor control, copying machine, electric tool, electric heater control, and other general purpose control applications.
Parametrics
BCR8PM-12L absolute maximum ratings: (1)Repetitive peak off-state voltage: 600 V; (2)Non-repetitive peak off-state voltage: 720 V; (3)RMS on-state current IT (RMS): 8 A; (4)Surge on-state current ITSM: 80 A; (5)I2t for fusing I2t: 26 A2s; (6)Peak gate power dissipation PGM: 5 W; (7)Average gate power dissipation PG (AV): 0.5 W; (8)Peak gate voltage: 10 V; (9)Peak gate current IGM: 2 A; (10)Junction temperature: -40 to +150 °C; (11)Storage temperature Tstg: -40 to +150 °C.
Features
BCR8PM-12L features: (1)IT (RMS): 8 A; (2)VDRM : 600 V; (3)IFGTI, IRGTI, IRGTIII : 30 mA (20 mA); (4)Viso : 2000 V; (5)Insulated Type; (6)Planar Passivation Type.
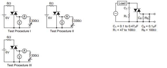
Diagrams

| Image | Part No | Mfg | Description | ![]() |
Pricing (USD) |
Quantity | ||||||||||||||||||||||
|---|---|---|---|---|---|---|---|---|---|---|---|---|---|---|---|---|---|---|---|---|---|---|---|---|---|---|---|---|
![]() |
![]() BCR8PM-12LG |
![]() Other |
![]() |
![]() Data Sheet |
![]() Negotiable |
|
||||||||||||||||||||||
| Image | Part No | Mfg | Description | ![]() |
Pricing (USD) |
Quantity | ||||||||||||||||||||||
![]() |
![]() BCR8CM-12LA#B00 |
![]() |
![]() TRIAC 600V 8A TO-220 |
![]() Data Sheet |
![]()
|
|
||||||||||||||||||||||
![]() |
![]() BCR8KM-12LA |
![]() Other |
![]() |
![]() Data Sheet |
![]() Negotiable |
|
||||||||||||||||||||||
![]() |
![]() BCR8KM-14LA |
![]() Other |
![]() |
![]() Data Sheet |
![]() Negotiable |
|
||||||||||||||||||||||
![]() |
![]() BCR8LM-12LB#B00 |
![]() |
![]() TRIAC 600V 8A TO-220FL |
![]() Data Sheet |
![]()
|
|
||||||||||||||||||||||
![]() |
![]() BCR8LM-14LB#B00 |
![]() |
![]() TRIAC 800V 8A TO-220FL |
![]() Data Sheet |
![]()
|
|
||||||||||||||||||||||
![]() |
![]() BCR8PM |
![]() Other |
![]() |
![]() Data Sheet |
![]() Negotiable |
|
||||||||||||||||||||||
(Hong Kong)











