Product Summary
The TLC2272CD is a dual and quadruple operational amplifier from Texas Instruments. Both devices exhibit rail-to-rail output performance for increased dynamic range in single- or split-supply applications. The TLC2272CD offers 2 MHz of bandwidth and 3 V/μs of slew rate for higher speed applications. The TLC2272CD offers comparable ac performance while having better noise, input offset voltage, and power dissipation than existing CMOS operational amplifiers. The TLC2272CD has a noise voltage of 9 nV/√Hz, two times lower than competitive solutions.
Parametrics
TLC2272CD absolute maximum ratings: (1)Supply voltage, VDD+: 8 V; (2)Supply voltage, VDD. (see Note 1): 8 V; (3)Differential input voltage, VID: ±16 V; (4)Input voltage range, VI (any input, see Note 1): VDD. . 0.3 V to VDD+; (5)Input current, II (any input): ±5 mA; (6)Output current, IO: ±50 mA; (7)Total current into VDD+: ±50 mA; (8)Total current out of VDD: ±50 mA; (9)Duration of short-circuit current at (or below) 25℃ (see Note 3): unlimited; (10)Storage temperature range: -65 to 150℃; (11)Lead temperature 1,6 mm (1/16 inch) from case for 10 seconds: D, N, P or PW package: 260℃.
Features
TLC2272CD features: (1)Output Swing Includes Both Supply Rails; (2)Low Noise 9 nV/√ ̄Hz Typ at f = 1 kHz; (3)Low Input Bias Current: 1 pA Typ; (4)Fully Specified for Both Single-Supply and Split-Supply Operation; (5)Common-Mode Input Voltage Range Includes Negative Rail; (6)High-Gain Bandwidth: 2.2 MHz Typ; (7)High Slew Rate: 3.6 V/μs Typ; (8)Low Input Offset Voltage 950 μV Max at TA = 25℃; (9)Macromodel Included; (10)Performance Upgrades for the TS272, TS274, TLC272, and TLC274.
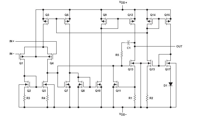
Diagrams

| Image | Part No | Mfg | Description | ![]() |
Pricing (USD) |
Quantity | ||||||||||||
|---|---|---|---|---|---|---|---|---|---|---|---|---|---|---|---|---|---|---|
![]() |
![]() TLC2272CD |
![]() Texas Instruments |
![]() Operational Amplifiers - Op Amps Dual R/R |
![]() Data Sheet |
![]()
|
|
||||||||||||
![]() |
![]() TLC2272CDG4 |
![]() Texas Instruments |
![]() Operational Amplifiers - Op Amps Dual R/R |
![]() Data Sheet |
![]()
|
|
||||||||||||
![]() |
![]() TLC2272CDR |
![]() Texas Instruments |
![]() Operational Amplifiers - Op Amps Dual R/R Op Amp |
![]() Data Sheet |
![]()
|
|
||||||||||||
![]() |
![]() TLC2272CDRG4 |
![]() Texas Instruments |
![]() Operational Amplifiers - Op Amps Dual R/R Op Amp |
![]() Data Sheet |
![]()
|
|
||||||||||||
(Hong Kong)









