Product Summary
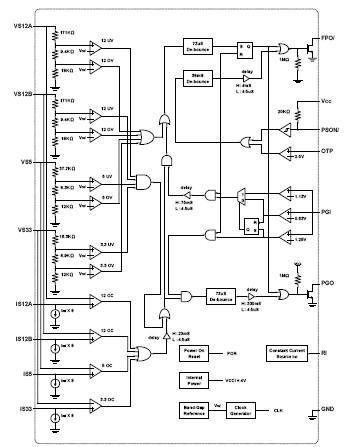
The PS223 is a 4-Channel Secondary Monitoring IC. PS223 is specially designed for switching power supply system. Four important functions of PS223 are the followings: over-voltage protection, over-current protection, under-voltage protection and power good signal generating. OVP/UVP (Over-Voltage/Under-Voltage Protection) monitors 3.3V, 5V and double 12V to protect our power supply and PC, FPO/ goes to high when one of these supply voltages exceeds their normal operation voltage range. OCP(Over Current Protection) monitors IS33, IS5, IS12A, IS12B input current sense. An adjustable over-current condition composed of Iref and “protection current range resistor” helps users design OCP easily. An additional OTP channel helps users monitor if there have any over temperature occur. Power good signal generating notifies personal computer when power supply is ready or power supply is going to shutdown, therefore it can provide a reliable power supply environment.
Parametrics
PS223 absolute maximum ratings: (1)Storage Temperature : -40 to +125 ℃; (2)Operating Temperature : -30 to +90 ℃; (3)Supply Voltage : -0.5 to +16.0 V.
Features
PS223 features: (1)Over/Under-voltage protection and lock out; (2)Over-current protection and lock out; (3)Over-temperature protection; (4)Fault protection output with open drain output stage; (5)Open drain power good output signal for power good input; (6)Built-in 300mS power good delay; (7)AC on 75ms delay for UV/OC protection; (8)38mS PSON/ control de-bounce; (9)73uS de-bounce for noise immunity; (10)Wide power supply range; (11)Special care for AC power off.
Diagrams

| Image | Part No | Mfg | Description | ![]() |
Pricing (USD) |
Quantity | ||||||||||||||||
|---|---|---|---|---|---|---|---|---|---|---|---|---|---|---|---|---|---|---|---|---|---|---|
![]() |
![]() PS223 |
![]() Other |
![]() |
![]() Data Sheet |
![]() Negotiable |
|
||||||||||||||||
| Image | Part No | Mfg | Description | ![]() |
Pricing (USD) |
Quantity | ||||||||||||||||
![]() |
![]() PS22052 |
![]() |
![]() MOD IPM 1200V 5A DIP |
![]() Data Sheet |
![]()
|
|
||||||||||||||||
![]() |
![]() PS22053 |
![]() |
![]() MOD IPM 1200V 10A DIP |
![]() Data Sheet |
![]()
|
|
||||||||||||||||
![]() |
![]() PS22054 |
![]() |
![]() MOD IPM 1200V 15A DIP |
![]() Data Sheet |
![]()
|
|
||||||||||||||||
![]() |
![]() PS22056 |
![]() |
![]() MOD IPM 1200V 25A DIP |
![]() Data Sheet |
![]()
|
|
||||||||||||||||
![]() |
![]() PS2220P02 |
![]() TDK |
![]() Speakers & Transducers Vert Mnt Piezo Buzzr 2kHz@3V, 75dBA@10cm |
![]() Data Sheet |
![]()
|
|
||||||||||||||||
![]() |
![]() PS222J2 |
![]() |
![]() THERMISTOR 2252 OHM +/-0.10 C |
![]() Data Sheet |
![]()
|
|
||||||||||||||||
(Hong Kong)











