Product Summary
The 2SK2662 is a Silicon N Channel MOS Type DC-DC Converter, Relay Drive and Motor Drive applications.
Parametrics
2SK2662 absolute maximum ratings: (1)Drain-source voltage, VDSS: 500V; (2)Drain-gate voltage, VDGR: 500V; (3)Gate-source voltage, VGSS: ±30V; (4)Drain current, DC, ID: 5A; pulse, IDP: 20A; (5)Drain power dissipation, PD: 35W; (6)Single pulse avalanche energy, EAS: 180mJ; (7)Avalanche current, IAR: 5A; (8)Repetitive avalanche energy, EAR: 3.5mJ; (9)Channel temperature, Tch: 150℃; (10)Storage temperarure range, Tstg: -55 to +150℃.
Features
2SK2662 features: (1)Low drain-source ON resistance: RDS(on)=1.35Ω(typ.); (2)High forward transfer admittance: Yfs=4.0S(typ.); (3)Low leakage current: IDSS=100μA (max.)(VDS=500V); (4)Enchancement-mode: Vth=2.0 to 4.0V(VDS=10V, ID=1mA).
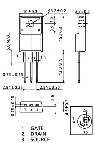
Diagrams

(Hong Kong)






