Product Summary
The 2SK363 is a Field Effect Transistor for Audio Amplifier, Analog Switch, Constant Current and Impedance Converter Applications.
Parametrics
2SK363 absolute maximum ratings: (1)Gate-drain voltage VGDS: -40 V; (2)Gate current IG: 10 mA; (3)Drain power dissipation PD: 400 mW; (4)Junction temperature Tj: 125 °C; (5)Storage temperature range Tstg: -55~125 °C.
Features
2SK363 features: (1)High breakdown voltage: VGDS = -40 V; (2)High input impedance: IGSS = -1.0 nA (max)(VGS = -30 V); (3)Low RDS (ON): RDS (ON)= 20 Ω (typ.)(IDSS = 15 mA).
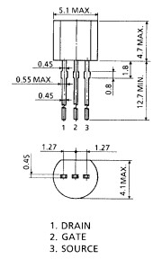
Diagrams

| Image | Part No | Mfg | Description | ![]() |
Pricing (USD) |
Quantity | ||||
|---|---|---|---|---|---|---|---|---|---|---|
![]() |
![]() 2SK3635-Z |
![]() Other |
![]() |
![]() Data Sheet |
![]() Negotiable |
|
||||
![]() |
![]() 2SK3636 |
![]() Other |
![]() |
![]() Data Sheet |
![]() Negotiable |
|
||||
![]() |
![]() 2SK3637 |
![]() Other |
![]() |
![]() Data Sheet |
![]() Negotiable |
|
||||
![]() |
![]() 2SK3638 |
![]() Other |
![]() |
![]() Data Sheet |
![]() Negotiable |
|
||||
![]() |
![]() 2SK3639 |
![]() Other |
![]() |
![]() Data Sheet |
![]() Negotiable |
|
||||
![]() |
![]() 2SK3634-Z |
![]() Other |
![]() |
![]() Data Sheet |
![]() Negotiable |
|
||||
![]() |
![]() 2SK3634 |
![]() Other |
![]() |
![]() Data Sheet |
![]() Negotiable |
|
||||
![]() |
![]() 2SK363 |
![]() Other |
![]() |
![]() Data Sheet |
![]() Negotiable |
|
||||
(Hong Kong)









