Product Summary
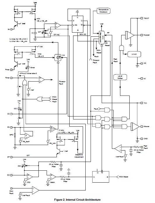
The NCP1396AG is a high performance resonant mode controller featuring high-voltage drivers. It offers everything needed to build a reliable and rugged resonant mode power supply. The NCP1396AG’ unique architecture includes a 500 kHz Voltage Controller Oscillator whose control mode brings flexibility when an ORing function is a necessity, e.g. in multiple feedback paths implementations. Applications of the NCP1396AG include: Flat Panel Display Power Converters, High Power AC/DC Adapters for Notebooks, Industrial and Medical Power Sources, Offline Battery Chargers.
Parametrics
NCP1396AG absolute maximum ratings: (1)High Voltage bridge pin, pin 14 VBRIDGE: -1 to 600 V; (2)Floating supply voltage, ground referenced VBOOT-VBRIDGE: 0 to 20 V; (3)High side output voltage VDRV_HI: VBRIDGE-0.3 to VBOOT+0.3 V; (4)Low side output voltage VDRV_LO: -0.3 to VCC + 0.3 V; (5)Allowable output slew rate dVBRIDGE/dt: 50 V/ns; (6)Power Supply voltage, pin 12Vcc: 20 V; (7)Maximum voltage, all pins (except pin 11 and 10): -0.3 to 10 V; (8)Thermal Resistance - Junction-to-Air, PDIP version RθJA: 100 ℃/W; (9)Thermal Resistance - Junction-to-Air, SOIC version RθJA: 130 ℃/W.
Features
NCP1396AG features: (1)High-frequency Operation from 50 kHz up to 500 kHz; (2)600 V High-voltage Floating Driver; (3)Selectable Minimum Switching Frequency with ±3% Accuracy; (4)Adjustable Deadtime from 100 ns to 2μs.; (5)Startup Sequence via an Adjustable Soft-start; (6)Brown-out Protection for a Simpler PFC Association; (7)Latched Input for Severe Fault Conditions, e.g. Over Temperature or OVP; (8)Timer-based Input with Auto-recovery Operation for Delayed Event Reaction.
Diagrams

![]() |
![]() NCP100 |
![]() Other |
![]() |
![]() Data Sheet |
![]() Negotiable |
|
||||
![]() |
![]() NCP1000 |
![]() Other |
![]() |
![]() Data Sheet |
![]() Negotiable |
|
||||
![]() |
![]() NCP1000P |
![]() ON Semiconductor |
![]() Other Power Management 700V 500mA Switching |
![]() Data Sheet |
![]() Negotiable |
|
||||
![]() |
![]() NCP1000PG |
![]() ON Semiconductor |
![]() Other Power Management 700V 500mA Switching w/OVP and Zero Duty |
![]() Data Sheet |
![]() Negotiable |
|
||||
![]() |
![]() NCP1001 |
![]() Other |
![]() |
![]() Data Sheet |
![]() Negotiable |
|
||||
![]() |
![]() NCP1001P |
![]() ON Semiconductor |
![]() Other Power Management 700V 500mA Switching |
![]() Data Sheet |
![]() Negotiable |
|
||||
(Hong Kong)









