Product Summary
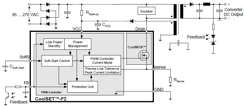
The ICE2A265 is a SMPS Current Mode Controller. It provides several special enhancements to satisfy the needs for low power standby and protection features. In standby mode frequency reduction is used to lower the power consumption and support a stable output voltage in this mode. The ICE2A265 frequency reduction is limited to 21.5 kHz to avoid audible noise. In case of failure modes like open loop, overvoltage or overload due to short circuit the device switches in Auto Restart Mode which is controlled by the internal protection unit. By means of the internal precise peak current limitation the dimension of the transformer and the secondary diode can be lower which leads to more cost efficiency.
Parametrics
ICE2A265 absolute maximum ratings: (1)Drain Source Voltage ICE2A165/265/365 VDS: 650 V Tj=110℃; (2)Drain Source Voltage ICE2A180/280 VDS: 800 V; (3)VCC Supply Voltage VCC: -0.3 to 22 V; (4)FB Voltage VFB: -0.3 to 6.5 V; (5)SoftS Voltage VSoftS: -0.3 to 6.5 V; (6) ISense: -0.3 to 3 V; (7)Junction Temperature Tj: -40 to 150 ℃; (8)Storage Temperature TS: -50 to 150 ℃; (9)Thermal Resistance Junction-Ambient, RthJA: 90 K/W.
Features
ICE2A265 features: (1)650V/800V Avalanche Rugged CoolMOS Only few external Components required; (2)Input Undervoltage Lockout; (3)100kHz Switching Frequency; (4)Max Duty Cycle 72%; (5)Low Power Standby Mode to meet European Commission Requirements; (6)Thermal Shut Down with Auto Restart; (7)Overload and Open Loop Protection; (8)Overvoltage Protection during Auto Restart; (9)Adjustable Peak Current Limitation via External Resistor; (10)Overall Tolerance of Current Limiting < %; (11)Internal Leading Edge Blanking; (12)User defined Soft Start; (13)Soft Switching for Low EMI.
Diagrams

| Image | Part No | Mfg | Description | ![]() |
Pricing (USD) |
Quantity | ||||||||||||
|---|---|---|---|---|---|---|---|---|---|---|---|---|---|---|---|---|---|---|
![]() |
![]() ICE2A265 |
![]() Infineon Technologies |
![]() Primary & Secondary Side PWM Controllers COOLSET IC CUR-MODE PWM CTRLR 650V |
![]() Data Sheet |
![]()
|
|
||||||||||||
![]() |
![]() ICE2A265Z |
![]() Infineon Technologies |
![]() Primary & Secondary Side PWM Controllers COOLSET IC CUR-MODE PWM CTRLR 650V |
![]() Data Sheet |
![]() Negotiable |
|
||||||||||||
(Hong Kong)










