Product Summary
The HA17902P is a Quad Operational Amplifier. The HA17902 is an internal phase compensation quad operational amplifier that operates on a single voltage power supply and is appropriate for use in a wide range of general-purpose control equipment.
Parametrics
HA17902P absolute maximum ratings: (1)Power supply voltage: 28V; (2)Sink current: 50 mA; (3)Allowable power dissipation: 625mW; (4)Common-mode input voltage: –0.3 to VCC; (5)Differential-mode input voltage: ±VCC; (6)Operating temperature: –20 to +75℃; (7)Storage temperature: –55 to +125℃.
Features
HA17902P features: (1)Wide usable power-supply voltage range and single-voltage supply operation; (2)Internal phase compensation; (3)Wide common-mode voltage range and operation for inputs close to the 0 level.
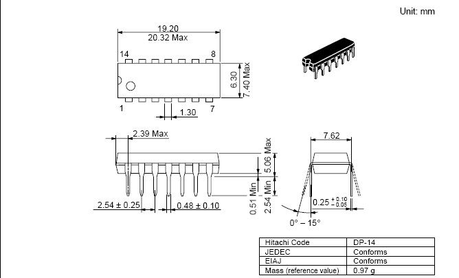
Diagrams

(Hong Kong)






