Product Summary
The CX1117-3.3 is an adjustable and fixed voltage regulator designed to provide 1A output current and to operate down to 1V input-to-output differential. The dropout voltage of the device is guarateed maximum 1.3V at maximum output current, decreasing at lower load currents. On-chip trimming adjusts the reference voltage to within 1% accuray. Current limit is also trimmed, minimizing the stress under overload conditions on both the regulator and power source circuity. The applications of the CX1117-3.3 include high effciency linear regulators, post regulators for switching supplies, 5V to 3.3V linear regulator, power management for notebook, battery chargers, battery powered instrumentation.
Parametrics
CX1117-3.3 absolute maximum ratings: (1)Input voltage: 22V; (2)Operating junction temperature, control section: 0 to 125℃; power transistor: 0 to 150℃; (3)Storage temperature: -65 to 150℃; (4)Lead temperature: 300℃.
Features
CX1117-3.3 features: (1)44 V Supply Maximum Ratings; (2)VSS to VDD Analog Signal Range; (3)Low On Resistance (100 V max); (4)Low Power (ISUPPLY < 75 mA); (5)Fast Switching; (6)Break-Before-Make Switching Action; (7)Plug-in Replacement for DG408/DG409.
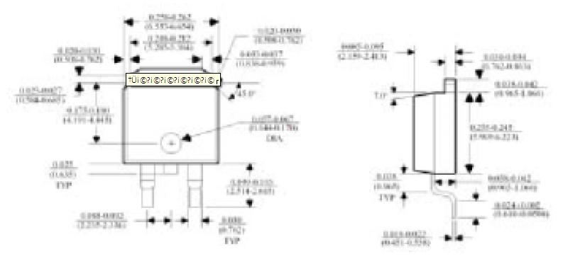
Diagrams

(Hong Kong)






