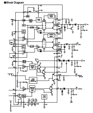
Product Summary
The BD8166EFV is a 12V input multi-channel system power supply IC. Incorporates two high-power FETs with low on resistance for large currents that employ high-power packages, thus driving large current loads while suppressing the generation of heat. A charge pump controller is incorporated as well, thus greatly reducing the number of application components. The applications of the BD8166EFV include Power supply for the TFT-LCD panels used for LCD TVs.
Parametrics
BD8166EFV absolute maximum ratings: (1)Power supply voltage Vcc, PVCC: 19 V; (2)Vo1 voltage, Vo1: 19 V; (3)Vo2 voltage, Vo2: 40 V; (4)IG Voltage, IGH: 7 V; (5)Maximum junction temperature, Tjmax: 150 ℃; (6)Power dissipation, Pd: 4700 mW; (7)Operating temperature range, Topr: -40 to 85 ℃; (8)Storage temperature range, Tstg: -55 to 150 ℃.
Features
BD8166EFV features: (1)Step-up and step-down DC/DC converter; (2)Incorporates 2-A N-channel FET.; (3)Incorporates positive/negative charge pumps.; (4)Incorporates a gate shading function.; (5)Input voltage limit: 6 V to 18 V; (6)Feedback voltage: 1.25 V ± 1.6%; (7)Switching frequency: 500 kHz; (8)Protection circuit: Undervoltage lockout protection circuit Thermal shutdown circuit Overcurrent protection circuit Short protection circuit of timer latch type; (9)HTSSOP-B40 Package.
Diagrams

(Hong Kong)






